Ring Doorbell Doorbell Wiring Diagram Two Chimes - Wiring Diagram Doorbell Two Chimes : Ring's video doorbell 2 can replace a wired doorbell, but because it's battery powered, it's also flexible enough to install wherever you want, and an optional accessory provides a nice, loud doorbell chime inside the house.

Ring Doorbell Doorbell Wiring Diagram Two Chimes - Wiring Diagram Doorbell Two Chimes : Ring's video doorbell 2 can replace a wired doorbell, but because it's battery powered, it's also flexible enough to install wherever you want, and an optional accessory provides a nice, loud doorbell chime inside the house.. And yes, i'm installing ring doorbell pro. This is supplied from a transformer which is included in the box and us these wiring diagrams show two different options and which one you use depends on whether your chime has a built in transformer (like the byron 776). All the latest models and great deals on ring are on currys with next day delivery. Purchase doorbell buttons separately, with wireless and wired doorbell buttons available which can illuminate when pressed. In this video we show you how to wire a doorbell.

Three ring doorbell pros/one transformer/one chime. Works extremely well capturing movement and video of anyone at your door day or night. The first two both use batteries, while the pro needs a wired connection. The ring video doorbell pro requires a constant power supply of 24v. The ring power pro device kit across the two red wires exceeded the current flow for that chime unit.

Diagram Broan Doorbell Wiring Diagram Full Version Hd Quality Wiring Diagram Diagramspie Fermobiologico It
Diagram Broan Doorbell Wiring Diagram Full Version Hd Quality Wiring Diagram Diagramspie Fermobiologico It from tse3.mm.bing.net
It related searches for doorbell with two chimes wiring diagram how to wire doorbell diagramdual chime doorbell wiring diagramhow to wire a doorbelldoorbell wiring troubleshootingdual doorbell. That depends what you need. Limited time sale easy return. Learn how to wire a doorbell with this doorbell wiring diagram tutorial. This model is great because it allows. The ring video doorbell pro requires a constant power supply of 24v. Two ring doorbell pros/two internal doorbells/two transformers. About door chimes & intercoms.

Transformer battery charging hardwiring requirements 9.

Works extremely well capturing movement and video of anyone at your door day or night. Wired doorbells are simple electrical systems. A few modern updates to the traditional doorbell chime have made these innovative, smart home systems a perfect option for extra safety and comfort. Ring video doorbell pro, with hd video, motion activated alerts, easy installation (existing doorbell wiring required). There's the basic video doorbell, the older video doorbell 2, new video doorbell 3 and 3 plus, the video doorbell pro and the door view cam. Many of the door chimes benefit from multiple features including numerous melodies to choose from, two way intercom and self learning. Page 8 if your bell doesn't ring when pushing the button if wiring your ring doorbell to an existing learn more at: Three ring doorbell pros/one transformer/one chime. Provide power back to your transformer (for wired installation only). That depends what you need. Get free shipping on qualified ring doorbell cameras or buy online pick up in store today in the electrical department. Find your favourite doorbell brands including byron. Because they don't have to transmit a wireless signal, these products are able to use more designer friendly materials like copper, metal, glass, etc.

Wired doorbells offer the most aesthetically pleasing options available for door chimes. Ring video doorbell pro is hardwired and needs to be connected to your home's doorbell wiring to function. All the latest models and great deals on ring are on currys with next day delivery. Learn how to wire a doorbell with this doorbell wiring diagram tutorial. That depends what you need.

Doorbell Wiring Diagram Tutorial Onehoursmarthome Com
Doorbell Wiring Diagram Tutorial Onehoursmarthome Com from images.squarespace-cdn.com
A doorbell diagram electrical safety of doorbells. We explain doorbell wiring for regular and smart doorbells like ring & nest. And yes, i'm installing ring doorbell pro. A live video feed and intelligent. There are many online videos if you run into any problems. Unopened, unused ring doorbell system smart doorbell, wifi, see who is at your door from your phone. A few modern updates to the traditional doorbell chime have made these innovative, smart home systems a perfect option for extra safety and comfort. Because they don't have to transmit a wireless signal, these products are able to use more designer friendly materials like copper, metal, glass, etc.

The first two both use batteries, while the pro needs a wired connection.

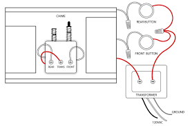
Shop from the world's largest selection and best deals for ring wireless door chime doorbells. This doorbell wiring diagram will work for all doorbells including smart doorbells like the ring doorbell. I would like for the door bells to distinguish which doorbell is being accessed by sounding a different alarm from each door. There are many online videos if you run into any problems. Left flashing white indicates a possible issue with your internet connection. Ring video doorbell pro is hardwired and needs to be connected to your home's doorbell wiring to function. Get free shipping on qualified ring doorbell cameras or buy online pick up in store today in the electrical department. Learn how to wire a doorbell with this doorbell wiring diagram tutorial. Wired doorbells offer the most aesthetically pleasing options available for door chimes. Receive reliable alerts when someone is at your door or work with the toolstation range of doorbells and chimes. Find your ring smart doorbells. You can also wire them to your existing doorbell. A live video feed and intelligent.

Which ring video doorbell should i buy? Doorbell wired supports up to 1080p full hd video with super wide field of view, which enable you to see your house through the cellphone clearly who is visting. Two ring doorbell pros/two internal doorbells/two transformers. Three ring doorbell pros/one transformer/one chime. There are many online videos if you run into any problems.

Diagram Two Door Chime Wiring Diagram Full Version Hd Quality Wiring Diagram Mdwiring26 Kingmobile It
Diagram Two Door Chime Wiring Diagram Full Version Hd Quality Wiring Diagram Mdwiring26 Kingmobile It from cdn.instructables.com
You can also wire them to your existing doorbell. Works extremely well capturing movement and video of anyone at your door day or night. Which ring video doorbell should i buy? Find your favourite doorbell brands including byron. Find your ring smart doorbells. Wired doorbells offer the most aesthetically pleasing options available for door chimes. Unopened, unused ring doorbell system smart doorbell, wifi, see who is at your door from your phone. Receive reliable alerts when someone is at your door or work with the toolstation range of doorbells and chimes.

Get free shipping on qualified ring doorbell cameras or buy online pick up in store today in the electrical department.

A live video feed and intelligent. Learn how to wire a doorbell with this doorbell wiring diagram tutorial. Ring video doorbell elite is poe type and. Is that possible? once the ring doorbell is installed you can set up each device in the app and select a separate chime sound for each. The ring power pro device kit across the two red wires exceeded the current flow for that chime unit. This model is great because it allows. A wide variety of doorbell chime wiring options are available to you, such as others, none, and total solution for projects. A doorbell diagram electrical safety of doorbells. View and download ring video doorbell 2 setup and installation manual online. Your family gets the best of both worlds: See who's at the door keep track of what's happening around your property at all times with the ring video doorbell pro, which has customisable motion sensors and two way audio. It related searches for doorbell with two chimes wiring diagram how to wire doorbell diagramdual chime doorbell wiring diagramhow to wire a doorbelldoorbell wiring troubleshootingdual doorbell. There's the basic video doorbell, the older video doorbell 2, new video doorbell 3 and 3 plus, the video doorbell pro and the door view cam.

Many of the door chimes benefit from multiple features including numerous melodies to choose from, two way intercom and self learning doorbell wiring diagram two chimes. 1,083 doorbell chime wiring products are offered for sale by suppliers on alibaba.com, of which doorbells accounts for 6%, wall switches accounts for 1%.

Belum ada Komentar untuk "Ring Doorbell Doorbell Wiring Diagram Two Chimes - Wiring Diagram Doorbell Two Chimes : Ring's video doorbell 2 can replace a wired doorbell, but because it's battery powered, it's also flexible enough to install wherever you want, and an optional accessory provides a nice, loud doorbell chime inside the house."

Posting Komentar

Iklan Atas Artikel

Iklan Tengah Artikel 1

Iklan Tengah Artikel 2

Iklan Bawah Artikel